View All

721.01.00 - Manual Pedal Cluster
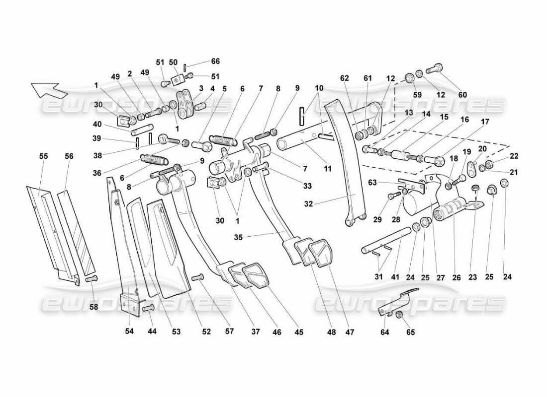
Lamborghini Murcielago LP670 Manual Pedal Cluster Parts Diagram
View the exploded parts diagram to find the part you are looking for
- You can reposition the diagram by dragging it
- You can zoom in and out of the diagram by scrolling, pinching, or using theandbuttons
- You can reset the diagram using thebutton
View all the part pricing and availability information on the parts table to the rightbelow
- You can click on a hotspot
in the parts diagram to locate the part in the table
- You can use the options filter, in the filter tab, to hide parts not relevant to your search
Switch between other part diagrams using theandbuttons, or use the diagram images below
We recommend viewing this page in landscape orientation for the best experience
Part Key
ST
Part in stock
PS
Available in a part set
SS
Part supersession in stock
PS
Available in a part set to order (subject to availability)
SO
Part available to order (subject to availability)
PK
Available in a part kit
# 001
MPN: N1152722
WASHER 10,5X21X2
# 002
MPN: 410721966
JOURNAL
from £128.28
from £128.28
# 003
MPN: 410721385
LEVER
from £73.97
from £73.97
# 004
MPN: 410721164A
BUSHING
from £8.41
from £8.41
# 005
MPN: 410721993
BALL JOINT COUPLING
from £48.42
from £48.42
# 006
MPN: 410721363
SPRING
from £111.91
from £111.91
# 007
MPN: 410721443
BUSHING
from £153.49
from £153.49
This part replaces part number 008802501
# 008
MPN: 410721671
ADJUSTING SLEEVE
from £15.34
from £15.34
# 009
MPN: N1100637
NUT M6
# 010
MPN: WHT003109
PIN
from £0.87
from £0.87
# 011
MPN: 414721325
JOURNAL
from £2,206.74
from £2,206.74
# 012
MPN: WHT002631
WASHER 8X12X1
from £19.40
from £19.40
This part replaces part number 008400819
# 013
MPN: 400721214E
BALL JOINT HEAD HAND THREAD)
from £40.54
from £40.54
# 014
MPN: N10690001
NUT (LEFT HAND
from £336.09
from £336.09
# 015
MPN: 400721743A
SHAFT
from £14.00
from £14.00
This part replaces part number 400721743 - and 2 more. Click to view details
# 016
MPN: N10689901
NUT M5
from £0.54
from £0.54
This part replaces part number 008200501
# 017
MPN: 400721214D
BALL JOINT HEAD
from £27.72
from £27.72
# 018
MPN: N1100845
NUT M8X1,25X6,5
# 019
MPN: N1033520
SCREW M8X35
from £1.17
from £1.17
This part replaces part number 008100834
# 020
MPN: 400721728C
LEVER
from £135.74
from £135.74
This part replaces part number 400721728
# 021
-
WASHER 6X12X1 (VALID A MODEL YEAR 07)
# 022
MPN: N2300212
NUT M6X1X6
# 023
MPN: N10609202
NUT M8
from £0.47
from £0.47
# 024
MPN: WHT000697
WASHER 13X22X0,3
from £0.68
from £0.68
This part replaces part number 003230722
# 025
MPN: 410721543
BUSHING
from £19.92
from £19.92
# 026
MPN: 400721651A
SUPPORT
from £100.39
from £100.39
# 027
MPN: 400907475A
POTENTIOMETER
from £649.40
from £649.40
This part replaces part number 0042010273 which we have in stock - and 1 more. Click to view details
# 028
MPN: N115578
WASHER 6X12X1
# 029
MPN: N10546402
SCREW M6X16
from £0.50
from £0.50
This part replaces part number 008700614
# 030
MPN: N126483
CLIP
# 031
MPN: N10206801
PIN
from £0.53
from £0.53
# 032
MPN: 400721507A
Accelerator Pedal
from £695.00
from £695.00
# 033
MPN: 410721147
JOURNAL
from £181.29
from £181.29
# 035
MPN: 414721145B
BRAKE PEDAL
from £394.46
from £394.46
# 036
MPN: N10155210
NUT M10
from £0.88
from £0.88
This part replaces part number 008201001
# 037
MPN: 414721321A
CLUTCH PEDAL
from £394.46
from £394.46
# 038
MPN: 410721645
TIE ROD
from £51.63
from £51.63
# 039
MPN: N133481
PIN
# 040
MPN: 410721965
JOURNAL
from £19.06
from £19.06
# 045
MPN: 400721779
COVER
from £585.08
from £585.08
# 046
MPN: 400721173
COVER
from £32.87
from £32.87
# 047
-
COVER
# 048
MPN: 400721174C
COVER
from £309.11
from £309.11
# 050
MPN: 410721255
BLOCK
from £42.10
from £42.10
# 051
MPN: 410721379
SCREW
from £29.02
from £29.02
# 052
-
FOOTREST DRIVER SIDE LHD VERSIONS)
# 053
-
COVER (FOR LHD
# 054
-
BRACKET (FOR LHD
# 055
MPN: 414864420A
FOOTREST DRIVER SIDE
from £88.18
from £88.18
# 056
MPN: 414864432
COVER
from £134.87
from £134.87
# 057
-
SCREW (FOR LHD
# 058
MPN: N90780901
SCREW M6X16.0
from £0.53
from £0.53
# 059
MPN: 410721427
BALL JOINT
from £57.25
from £57.25
This part replaces part number 004225225
# 060
MPN: WHT003270
JOURNAL
from £29.89
from £29.89
# 061
MPN: N90179103
WASHER 18X8,4X2,5
from £1.16
from £1.16
This part replaces part number 008400801
# 062
MPN: N1118410
NUT M8
# 063
MPN: 410971806
SUPPORT
from £21.74
from £21.74
# 064
MPN: 414971362
SUPPORT
from £36.12
from £36.12
# 065
MPN: N1508213
NUT M6
Supersession
Supersession
# 066
MPN: N133311
PIN 2.0X12.0